YW,YWZ13系列
电力液压鼓式制动器
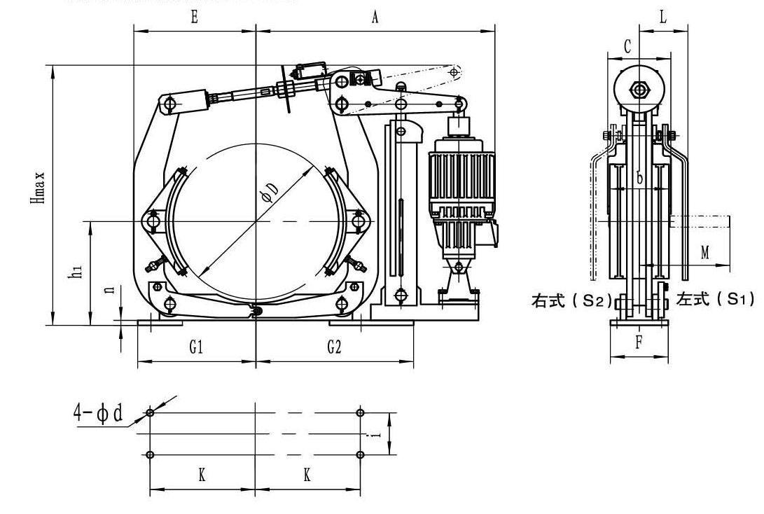
YW,YWZ13系列电力液压鼓式制动器,广泛应用于有防爆要求的各种起重运输、皮带运输、港口装卸、冶金及建筑机械中各种机构的减速和停车(维持)制动。
YW,YWZ13系列电力液压鼓式制动器的连接尺寸和技术要求符合JB / T6406-2006标准;制动力矩参数符合DIN15435标准,配套符合DIN15430标准的Ed系列推动器。
▲ 联锁式退距均等装置和瓦块自动随位装置,可始终保持两侧瓦块退距均等且无需调整,完全避免因退距不均使一侧制动衬垫浮贴制动轮的现象;
▲ 主要摆动铰点均设有自润滑轴承,传动效率高,寿命长,使用中无需润滑;
▲ 制动弹簧在方管内布置并设有标尺,用户可十分方便地读出制动力矩值,免去测量和计算的麻烦;
▲ 制动衬垫为卡装式整体成型结构,更换十分方便、快捷,备有半金属(无石棉)硬质和半硬质,软质(无石棉)等不同材质的制动衬垫供用户选择;
▲ 配套Ed系列电力液压推动器产品,动作灵敏、使用寿命长;
▲ 常闭式设计,(断电)弹簧制动,(通电)推动器释放。
◆ 海拔高度:<2000m;
◆ 环境温度:-20°C〜+ 40°C;
◆ 相对湿度:≤90%;
◆ 工作制:间歇性(S3-60%)和连续(S1);
◆ 电源电压:三相交流,AC380 50Hz (其他电源等级可按需要定制);
◆ 有特殊要求时在订货时协商确定。
● 产品型号:YW-160、YW-200、YW-250、YW-315、YW-400、YW-500、YW-630、YW-710、YW-800
● 适用轮径:160~800mm
● 制动力矩:80~12500Nm
● 产品型号:YWZ13-200、YWZ13-250、YWZ13-315、YWZ13-400、YWZ13-500、YWZ13-630、YWZ13-710、YWZ13-800
● 适用轮径:200~800mm
● 制动力矩:80~12500Nm




15565616959


