SB系列
安全制动器
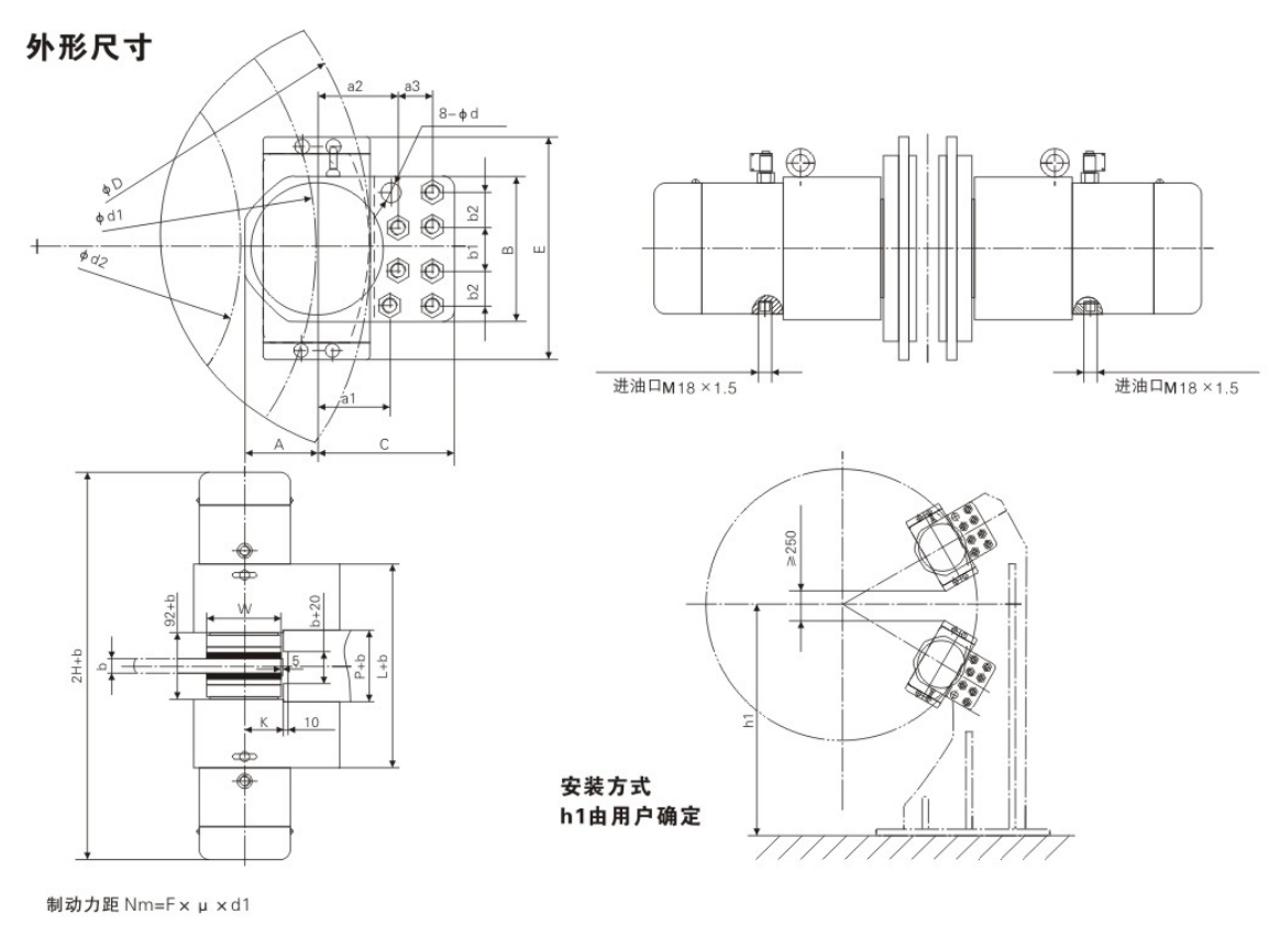
SB系列液压安全(紧急)制动器,是一种使用在低速轴(卷筒轴)上的大功率制动装置,可广泛用于大中型起重机、港口装卸机械起升以及臂架府仰机构低速轴的紧急安全制动。矿用卷扬机、提升机和大功率倾角式皮带运输机的工作制动和紧急安全制动,缆车和索缆起重机驱动机构的安全制动,铸造起重机等特种起重机起升机构低速轴的安全(紧急)制动。
钳盘式制动器技术要求符合JB/T10917-2008标准。
▲ 常闭式设计,安全可靠;特制碟簧施力制动,液压驱动释放(液压站选型详见液压站样本)。
▲ 动作灵敏,闭合(上闸)时间短。
▲ 可选配开闸限位、衬垫磨损、极限限位等开关,进行信号显示或联锁保护。
▲ 高性能无石棉硬质摩擦衬垫,摩擦系数稳定,不损伤制动盘且对水介质和盐雾(海水)不敏感。
▲ 合理的密封结构设计和进口密封件。效果好、寿命长。
▲ 安装位置灵活,使用、调整、维护简单。
◆ 环境温度:-20°C〜+ 50°C;
◆ 相对湿度:≤90%;
◆ 可选配液压站(液压站选型详见液压站样本);
◆ 有特殊要求时在订货时协商确定。
● 产品型号:SB50、SB100、SB160、SB250、SB315、SB400、SB500
● 适用盘径:ØD≥Ø500mm/ØD≥Ø600mm/ØD≥Ø1200mm/ØD≥Ø1800mm
● 制动力:36KN-360KN




15565616959


