24小时服务热线
15565616959
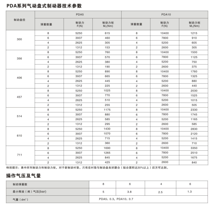
气动制动器
公司始终本着“ 敬业、求实、创新 ”的经营理念,坚持“ 质量上乘、信誉优先 ”的宗旨为广大用户提供质优产品和质优服务
当前位置:首页 > 产品中心 > 气动制动器
发布日期:2025-04-11
产品描述:
公司司将秉承“质量为本,诚信奋进,努力创新,用户为上”的经营理念,以“勤奋,诚信,创新,进取”的企业精神,服务于客户,实现与富户共同发展,创造双赢!
推荐产品:
PDA系列
气动盘式制动器
我们会在24小时内回复您的信息,欢迎垂询!
PDA系列气动盘式制动器
SP系列气动失效保护制动器
QP-D、CQP-D系列气动钳盘式制动器
QPL-A(CQPL-A)系列气动钳盘式制动器
TOP
QQ客服
首页
电话
短信
位置